Минисенсор 1V3-350

Zemic
Техническое описание
Датчики минисенсоры применяются для изготовления весов и весоизмерительных систем на одном датчике, в основном применяется при изготовлении торговых, карманных, платформенных, напольных, кухонных весов, а также весов типа кантер, весов для младенцев, весов в ванную комнату. Полимерное покрытие тензорезисторов может обеспечивать класс защиты минисенсора до IP65. Выбор датчика зависит от размеров платформы, точности и условий использования весов.

Max нагрузка, кг: 5кг, 10кг, 25кг

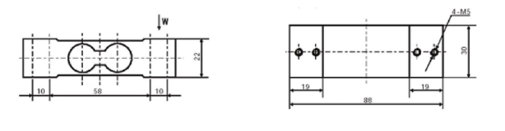
Габаритные размеры
Характеристики
Файлы для скачивания

Габаритные размеры

Характеристики

Гарантия: 12 месяцев
Комбинированная ошибка: 0,03
Материал исполнения: алюминиевый сплав
Нагрузка: 5кг, 10кг, 25кг

Файлы для скачивания